OEM TNC Konektörü Supplier

Ningbo Hanson İletişim Teknolojisi Co, Ltd Ev / Ürünler / RF Koaksiyel Konnektör / TNC Konektörü

TNC Konektörü

Tanım:

TNC serisi RF koaksiyel konnektörler, ABD askeri standardı MIL-C-39012'ye göre geliştirilmiş ve üretilmiştir. Geniş bant genişliği, güvenilir bağlantı ve iyi şok direnci özelliklerine sahiptirler. Radyo ekipmanlarının, elektronik aletlerin ve çeşitli lazer bileşenlerinin sinyal girişi ve çıkışı için konnektörler ve RF kabloları için uygundurlar.

Parametre:

Ana Teknik Özellikler:
◆ Karakteristik Empedans: 50Ω
◆ Frekans Aralığı: DC-18GHz
◆ Yalıtım Direnci: ≥5000MΩ
◆ Dielektrik Dayanım Gerilimi: 1500V(rms)
◆ Gerilim Daimi Dalga Oranı (VSWR): ≤1,30
◆ Çiftleşme Döngüleri: 500 kere

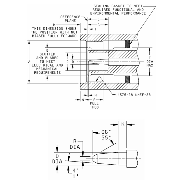
Sor

Loş
Ltr
Milimetre (İnç)
Asgari Maksimum
A 0,378 (9,60) 0,381 (9,68)
B 0,346 (8,79) 0,356 (9,04)
C 0,327 (8,31) 0,333 (8,46)
D 0,319 (8,10) 0,321 (8,15)
e ------- 0,186 (4,72)
F 0,068 (1,73) 0,088 (2,24)
G 0,327 (8,31) 0,335 (8,51)
H 0,187 (4,75) -------
J 0,186 (4,72) 0,206 (5,23)
k ------- 0,006 (0,15)
L 0,195 (4,95) -------
M 0,081 (2,06) 0,087 (2,21)
N ------- 0,256 (6,50)
P 0,188 (4,78) 0,208 (5,28)
R 0,414 (10,52) -------
T 0,015 (0,38) 0,030 (0,76)

Notlar:
1. Bu arayüz, Madde 1'de belirtilen ölçü gereksinimlerini karşılayacaktır.
MIL-PRF-39012/28.
2. karşılık gelen konnektör bağlantı somunu için boşluk.
3. Boyut, dielektrik malzemenin o kısmı (varsa) için geçerlidir.
metalin ötesine uzanan
K boyutuna göre omuz (veya referans düzlemi).
4. 0,052 inç (1,32 mm)/0,054 (1,37 mm) çaplı pimle birleştirildiğinde VSwR'yi karşılayacak kimlik.

Loş
Ltr
Milimetre (İnç)
Asgari Maksimum
A 0,440 (11,18) -------
B Gösterge testi
C 0,190 (4,83) -------
D 0,052 (1,32) 0,054 (1,37)
e 0,210 (5,33) 0,230 (5,84)
F 0,006 (0,15) -------
G 0,208 (5,28) 0,228 (5,79)
H 0,003 (0,08) 0,040 (1,02)
k 0,078 (1,98) -------
M ------- 0,078 (1,98)
N 0,063 (1,60) -------
P 0,156 (3,96) -------
R ------- 0,025 (0,64)
T ------- 0,322 (8,18)

Notlar:
1. Bu arayüz, Madde 1'de belirtilen ölçü gereksinimlerini karşılayacaktır. MIL-PRF-39012/26.

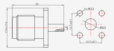
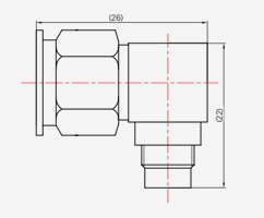
TNC SERIES
  • TNC-KF3A
    TNC-KF3A
    Modeli Kablo tipi
    TNC-KF3A SYV-50-2-1,RG316
    TNC-KF5A SYV-50-3,RG142,SFCJ-50-3-51
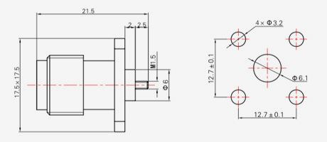
  • TNC-KF3A-1
    TNC-KF3A-1
    Modeli Kablo tipi
    TNC-KF3A-1 SYV-50-2-1,RG316
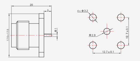
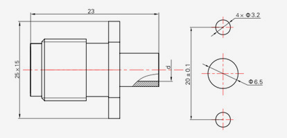
  • TNC-JB2
    TNC-JB2
    MoDeli Kablo tipi d
    TNC-JB2 SFT-50-2,670-086 Φ2,2
    TNC-JB3 SFT-50-3,670-141 Φ3.6
  • TNC-JWB2
    TNC-JWB2
    MoDeli Kablo tipi d
    TNC-JWB2 SFT-50-2,670-086 Φ2,2
    TNC-JWB3 SFT-50-3,670-141 Φ3.6
  • TNC-KB2
    TNC-KB2
    MoDeli Kablo tipi d
    TNC-KB2 SFT-50-2,670-086 Φ2,2
    TNC-KB3 SFT-50-3,670-141 Φ3.6
  • TNC-KFB2
    TNC-KFB2
    MoDeli Kablo tipi d
    TNC-KFB2 SFT-50-2,670-086 Φ2,2
    TNC-KFB3 SFT-50-3,670-141 Φ3.6
  • TNC-KFB2-1
    TNC-KFB2-1
    MoDeli Kablo tipi d
    TNC-KFB2-1 SFT-50-2,670-086 Φ2,2
    TNC-KFB3-1 SFT-50-3,670-141 Φ3.6
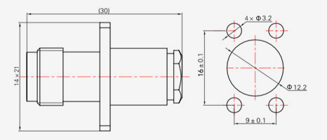
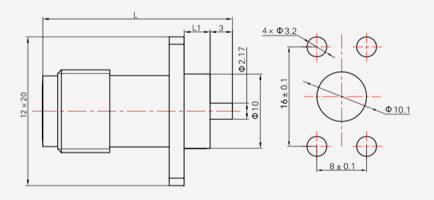
  • TNC-KFD2
    TNC-KFD2
    Modeli L L1
    KFD2 27 3.5
    KFD3 22 2
  • TNC-J3A
    TNC-J3A
    Modeli Kablo tipi
    TNC-J3A SYV-50-2-1,RG316
    TNC-J5A SYV-50-3-4,RG142, SFCJ-50-3-51
    TNC-J5AC
  • TNC-J4
    TNC-J4
    Modeli Kablo tipi L
    TNC-J4 SYV-50-2-2 31
    TNC-J5 SYV-50-3-4, SFCJ-50-3-51,RG316 31
    TNC-(K)5
    TNC-J5C
    TNC-J7 SYV-50-5-1, SFCJ-50-5-51 36
    TNC-J7C
    TNC-J10 SYV-50-7-1,SYV-50-7-2, SFCJ-50-7-51 36
    TNC-J10C
  • TNC-JW5
    TNC-JW5
    Modeli Kablo tipi
    TNC-JW5 SYV-50-3-4,SFCJ-50-3-51,RG142
    TNC-JW7 SYV-50-5-1,SFCJ-50-5-51
    TNC-JW10 SYV-50-7-2,SFCJ-50-7-51
  • TNC-JW5-1
    TNC-JW5-1
    Modeli Kablo tipi
    TNC-JW5-1 SYV-50-3-4,SFCJ-50-3-51,RG142
  • TNC-K5
    TNC-K5
    Modeli Kablo tipi L
    TNC-K5 SYV-50-3-4, SFCJ-50-3-51,RG142 31
    TNC-(J)5
    TNC-K7 SYV-50-5-1, SFCJ-50-5-51 33
    TNC-K10 SYV-50-7-1, SYV-50-7-2,SFCJ-50-7-51 33
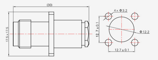
  • TNC-KFD1
    TNC-KFD1
  • TNC-KFD4
    TNC-KFD4

İLETİŞİMİ KOPARMAMAK

[#giriş#]
GÖNDER
Hakkımızda
Ningbo Hanson İletişim Teknolojisi Co, Ltd
Ningbo Hanson İletişim Teknolojisi Co, Ltd
Ningbo Hanson Communication Technology Co., Ltd. is China TNC Konektörü Supplier and Custom TNC Konektörü Company. We are a manufacturer specializing in the production, processing, and trade of communication components, with more than 30 years of experience in RF coaxial connectors, adapters, and cable assemblies. Şirket artık kendi işleme atölyesini, elektrokaplama atölyesini, montaj atölyesini ve bir grup istikrarlı ve güvenilir tedarikçiyi geliştirdi. Şirketin amacı müşterilere yüksek kaliteli ürünler sunmaktır. Ana ürünler RF koaksiyel konektörler, adaptörler, yüksek frekanslı kablo düzenekleri ve düşük intermodülasyonlu kablo düzenekleridir. Buna ek olarak şirket, müşterilerin ürünlere yönelik özel gereksinimlerini karşılamak için özelleştirilmiş ihtiyaçları olan müşterilere de hizmet sunabilmektedir. Şirketin ürünleri havacılık, iletişim baz istasyonları, tıbbi ekipman ve diğer yüksek teknoloji alanlarında yaygın olarak kullanılmaktadır. Kurumsal reform, yenilik, gelişme ve büyüme zamanında şirket, ISO9001 uluslararası kalite yönetim sistemine katılma girişiminde bulundu ve yeni ve eski müşterilere daha tatmin edici ürün ve hizmetler sunabilmek için yönetim düzeyini sürekli olarak geliştirdi.
Son Haberler
İş Fırsatı mı Arıyorsunuz?

Bugün arama isteğinde bulunun