OEM N type RF Coaxial Connector Supplier

Ningbo Hanson İletişim Teknolojisi Co, Ltd Ev / Ürünler / RF Koaksiyel Konnektör / N tipi RF Koaksiyel Konektör

N tipi RF Koaksiyel Konektör

Tanım:

N tipi seri RF koaksiyel konnektör, ABD askeri standardı MIL-C-39012'ye uygun olarak geliştirilmiş ve üretilmiş, dişli bağlantı mekanizmasına sahip bir RF koaksiyel konnektördür. Geniş bant genişliği, iyi şok direnci, yüksek güvenilirlik ve mükemmel performans özelliklerine sahiptir ve mikrodalga iletişim ve ölçüm sistemlerinde yaygın olarak kullanılmaktadır. Fabrikamız tarafından üretilen N tipi seri RF koaksiyel konnektörün karakteristik empedansı iki tipe ayrılmıştır: 50Ω ve 75Ω.

Parametre:

Ana Teknik Özellikler:
◆ Karakteristik Empedans: 50Ω/75Ω
◆ Frekans Aralığı: DC-18GHz(50Ω)/DC-3GHz(75Ω)
◆ Yalıtım Direnci: ≥5000MΩ
◆ Dielektrik Dayanım Gerilimi: 1500V(rms)
◆ Gerilim Daimi Dalga Oranı (VSWR): ≤1,30
◆ Çiftleşme Döngüleri: 500 kere

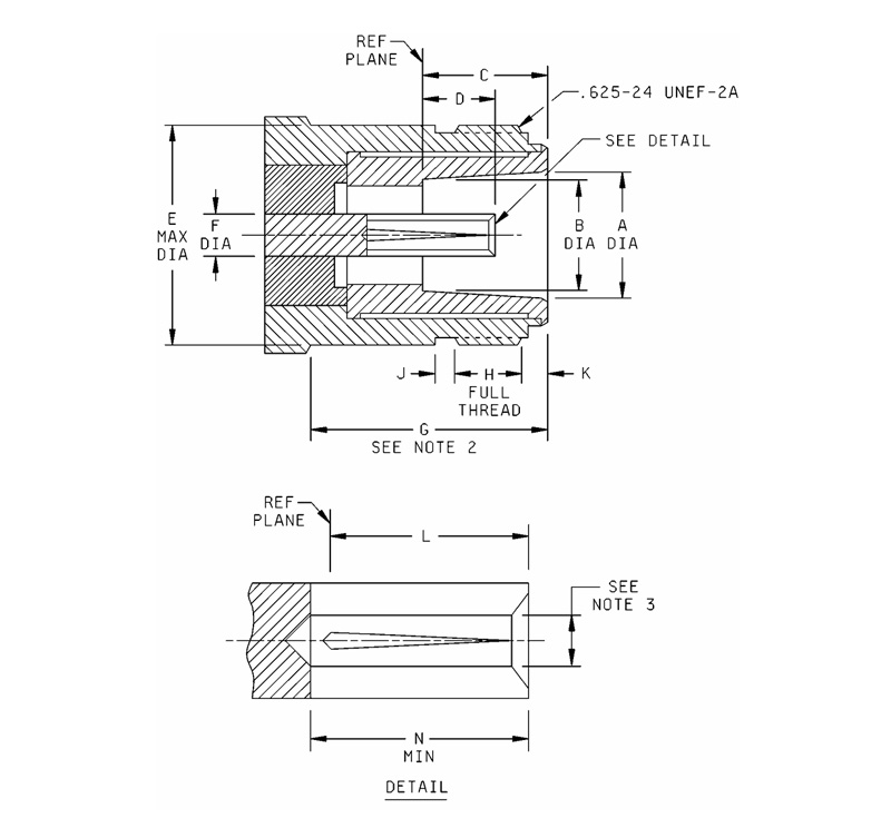
Sor

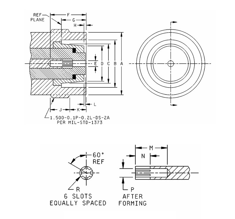
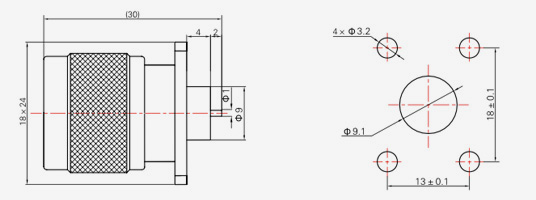
Loş
Ltr
İnç (mm)
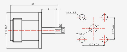
Min. Maks.
A 0,336 (8,53) 0,344 (8,74)
B 0,316 (8,03) 0,320 (8,13)
C 0,356 (9,04) 0,362 (9,19)
D 0,187 (4,75) 0,207 (5,26)
e ------- 0,627 (15,93)
F 0,119 (3,02) 0,124 (3,15)
G 0,422 (10,72) -------
H 0,172 (4,37) 0,220 (5,59)
J 0,047 (1,19) 0,077 (1,96)
k 0,047 (1,19) 0,077 (1,96)
L 0,187 (4,75) 0,207 (5,26)
N 0,210 (5,33) -------

Notlar:
1. Bu arayüz, Madde 1'de belirtilen ölçü gereksinimlerini karşılayacaktır.
MIL-PRF-39o12/2.
2. karşılık gelen konnektör bağlantı somunu için boşluk.
3. VSwR'yi, çiftleşme özelliklerini, temas direncini ve
0,063/0,066 çaplı bir pin ile birleştirildiğinde konnektör dayanıklılığı.

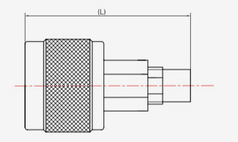
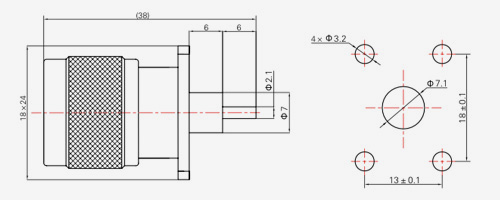
Loş
Ltr
İnç (mm)
Min. Maks.
A 1.740 (44.20) 1.760 (44.70)
B 1.537 (39.04) 1.543 (39.19)
C 1.060 (26.92) 1.064 (27.03)
D 0,964 (24,49) 0,974 (24,74)
e 0,194 (4,93) 0,196 (4,98)
F 0,836 (21,23) 0,856 (21,74)
G 0,372 (9,45) 0,392 (9,96)
H 0,271 (6,88) 0,291 (7,39)
J 551 (14.00) 0,571 (14,50)
k 0,370 (9,40) 0,380 (9,65)
L 0,001 (0,03) 0,013 (0,33)

Notlar:
1. Bu arayüz, Madde 1'de belirtilen ölçü gereksinimlerini karşılayacaktır. MIL-PRF-39012/44.

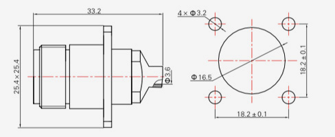
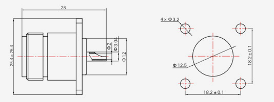
Loş
Ltr
İnç (mm)
Min. Maks.
A 1.404 (35.66) 1.408 (35.76)
B 1.100 (27.94) 1.120 (28.45)
C 1.998 (50.75) 1,002 (25,45)
D 936 (23,77) 0,940 (23,88)
e 0,191 (4,85) 0,195 (4,95)
F 0,763 (19,38) 0,783 (19,89)
G 0,465 (11,81) 0,485 (12,32)
H 0,062 (1,57) Referans
J 0,302 (7,67) 0,322 (8,18)
k 0,302 (7,67) 0,322 (8,18)
L 0,001 (0,03) 0,013 (0,33)
M 0,490 (12,45) 0,510 (12,95)
N 0,240 (6,10) ,260 (6,60)
P 0,187 (4,75) 0,189 (4,80)
R 0,014 (0,36) 0,018 (0,46)

Notlar:
1. Bu arayüz, Madde 1'de belirtilen ölçü gereksinimlerini karşılayacaktır. MIL-PRF-39012/45.

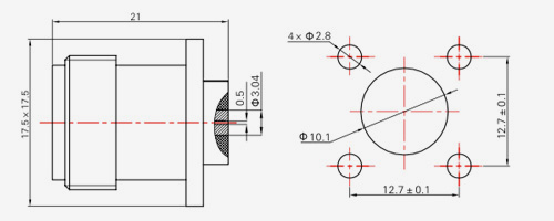
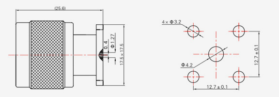
N SERIES
  • N-JB2
    N-JB2
    MoDeli Kablo tipi d
    N-JB2 SFT-50-2,670-086 Φ2,2
    N-JB3 SFT-50-3,670-141 3,6
  • N-JB3-1
    N-JB3-1
    Modeli Kablo tipi L
    N-JB3-1 SFT-50-3,670-141 17.6
    N-JB3A-1 SFT-50-3,670-141 16.5
  • N-KB3
    N-KB3
    Modeli Kablo tipi
    N-KB3 SFT-50-3,670-141
  • N-KFB3
    N-KFB3
    Modeli Kablo tipi
    N-KFB3 SFT-50-3,670-141
  • N-KYB3
    N-KYB3
    Modeli Kablo tipi
    N-KYB3 SFT-50-3,670-141
  • N-J3
    N-J3
    Modeli Kablo tipi
    N-J3 SYV-50-2-1,RG316
    N-J4 SYV-50-2-2
  • N-J5
    N-J5
    Modeli Kablo tipi L
    N-J5 SYV-50-3,RG142, SFCJ-50-3-51 33
    N-J5C SYV-50-3,RG142, SFCJ-50-3-51 33
    N-J7 SYV-50-5-1, SFCJ-50-5-51 36
    N-J10 SYV-50-7-1, SYV-50-7-2,SFCJ-50-7-51 36
  • N-J5.3
    N-J5.3
    Modeli Kablo tipi
    N-J5.3 32055,205,GNB415
  • N-J311
    N-J311
    Modeli Kablo tipi
    N-J311 FFB311A
  • N-J10-1
    N-J10-1
    Modeli Kablo tipi
    N-J10-1 SFCJ-50-7-51
  • N-JW5
    N-JW5
    Modeli Kablo tipi
    N-JW5 SFCJ-50-3-51,SYV-50-3-4,RG142
    N-JW7 SFCJ-50-5-51,SYV-50-5-1
    N-JW10 SFCJ-50-7-51,SYV-50-7-2
  • N-JW8A
    N-JW8A
    Modeli Kablo tipi
    N-JW8A FFB311A,SYV-50-5
    N-JW12A SYV-75-3
    N-JW13A SYV-75-5
  • N-K3
    N-K3
    Modeli Kablo tipi
    N-K3 SYV-50-2-1,RG316
  • N-K5
    N-K5
    Modeli Kablo tipi L
    N-K5 SYV-50-3,RG142, SFCJ-50-3-51 36
    N-K7 SYV-50-5-1,SFCJ-50-5-51 38
    N-K10 SYV-50-7-1,SFCJ-50-7-51 38
  • N-KF5
    N-KF5
    Modeli Kablo tipi L
    N-KF5 SYV-50-3,RG142,SFCJ-50-3-51 36
    N-KF7 SYV-50-5-1,SFCJ-50-5-51 38
    N-KF10 SYV-50-7-1,SFCJ-50-7-51 38
  • N-KF3A
    N-KF3A
    Modeli Kablo tipi L
    N-KF3A SYV-50-2-1,RG316 33
    N-KF5A SYV-50-3-4,RG142 42
  • N-KY3Y
    N-KY3Y
    Modeli Kablo tipi
    N-KY3Y SYV-50-2-1,RG316
  • N-KFD
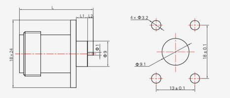
    N-KFD
    Modeli L L1 L2
    KFD 26 4 2
    KFD2 31 6 5
    KFD15 30 6 4
    KFD16 28.5 6 2.5
    KFD17 28 6 2
    KFD18 29 5 4
    KFD19 29 4 5
    KFD20 33 4 9
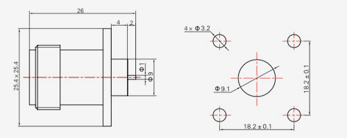
  • N-KF
    N-KF
  • N-JFD1
    N-JFD1
  • N-JFD2
    N-JFD2
  • N-JFD3
    N-JFD3
  • N-JFD23
    N-JFD23
  • N-KFD1
    N-KFD1
  • N-KFD7
    N-KFD7
  • N-KFD11
    N-KFD11
  • N-KFD50
    N-KFD50
  • N-KFD-Z
    N-KFD-Z
  • N-KFD9
    N-KFD9
  • N-KFD14
    N-KFD14

İLETİŞİMİ KOPARMAMAK

[#giriş#]
GÖNDER
Hakkımızda
Ningbo Hanson İletişim Teknolojisi Co, Ltd
Ningbo Hanson İletişim Teknolojisi Co, Ltd
Ningbo Hanson Communication Technology Co., Ltd. is China N type RF Coaxial Connector Supplier and Custom N type RF Coaxial Connector Company. We are a manufacturer specializing in the production, processing, and trade of communication components, with more than 30 years of experience in RF coaxial connectors, adapters, and cable assemblies. Şirket artık kendi işleme atölyesini, elektrokaplama atölyesini, montaj atölyesini ve bir grup istikrarlı ve güvenilir tedarikçiyi geliştirdi. Şirketin amacı müşterilere yüksek kaliteli ürünler sunmaktır. Ana ürünler RF koaksiyel konektörler, adaptörler, yüksek frekanslı kablo düzenekleri ve düşük intermodülasyonlu kablo düzenekleridir. Buna ek olarak şirket, müşterilerin ürünlere yönelik özel gereksinimlerini karşılamak için özelleştirilmiş ihtiyaçları olan müşterilere de hizmet sunabilmektedir. Şirketin ürünleri havacılık, iletişim baz istasyonları, tıbbi ekipman ve diğer yüksek teknoloji alanlarında yaygın olarak kullanılmaktadır. Kurumsal reform, yenilik, gelişme ve büyüme zamanında şirket, ISO9001 uluslararası kalite yönetim sistemine katılma girişiminde bulundu ve yeni ve eski müşterilere daha tatmin edici ürün ve hizmetler sunabilmek için yönetim düzeyini sürekli olarak geliştirdi.
Son Haberler
İş Fırsatı mı Arıyorsunuz?

Bugün arama isteğinde bulunun