OEM SMPM Hermetik Olarak Yalıtılmış Konektör Supplier

Ningbo Hanson İletişim Teknolojisi Co, Ltd Ev / Ürünler / Hermetik Olarak Yalıtılmış Seri / SMPM Hermetik Olarak Yalıtılmış Konektör

SMPM Hermetik Olarak Yalıtılmış Konektör

Tanım:

SMPM (AltMinyatür Push-on Micro) sızdırmaz konnektör, yüksek frekans, kompakt alan ve hafif uygulamalar için tasarlanmış, tam eşapmanlı, yarı kaçışlı ve ışık deliğine sahip minyatürleştirilmiş bir RF konektörüdür. Düşük ağırlık, yüksek güvenilirlik ve küçük boyut gerektiren iletişim ve elektronik ekipmanlarda yaygın olarak kullanılan, itmeli bir konnektördür. SMPM konnektörleri yüksek sinyal iletim kalitesine sahiptir ve iyi bir elektrik performansı sağlayabilir.

Sor

Temel yapı:
SMPM-J tipi hava sızdırmaz RF koaksiyel konnektör üç parçadan oluşur: dış iletken, cam ortam ve iç iletken, temel yapı aşağıdaki şekilde gösterilmektedir:

Ana Teknik Parametreler:

Elektriksel Özellikler
Karakteristik empedans 50Ω Frekans Aralığı DC~40GHz
Dielektrik Dayanım Gerilimi 500Vrms Yalıtım direnci 2000M Ω
Gerilim VSWR <1,4 Ekleme Kaybı ≤0,05 √f dB(GHz)
Malzeme ve mekanik, çevresel özellikler
Gövde Lavalanabilir Alaşım / Altın Kaplama Pimler Lavabolanabilir alaşım/altın kaplama
Yalıtım ortamı Bardak Konektör Dayanıklılığı Tam Kaçış 100 kez
Sızıntı oranı ≤1,01325×10 Pa ·m³/sn optik delik 1000 kez
Çalışma sıcaklığı -65°C~ 165°C

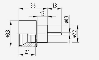
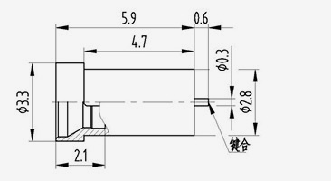
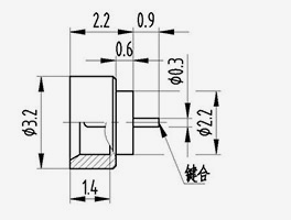
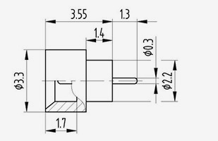
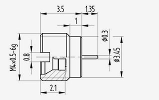
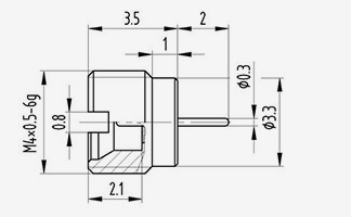
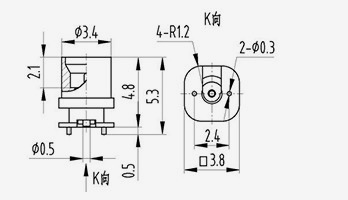
Arayüz Boyutu:
SMPM-J tipi hava sızdırmaz RF koaksiyel konnektörlerin iki arayüz formu vardır: tam eşapman ve çıplak delik. Model adlandırırken, F tam eşapmanı belirtir ve
S ışık deliği anlamına gelir. Arayüz boyutları, her ikisi de SMPM-K tipi fişlerle birleştirilebilir olan standart arayüz boyutlarına ve kısa arayüz boyutlarına bölünmüştür.
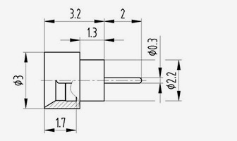
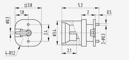
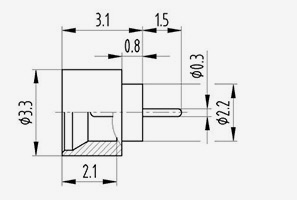
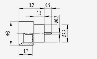
Standart arayüz boyutu:

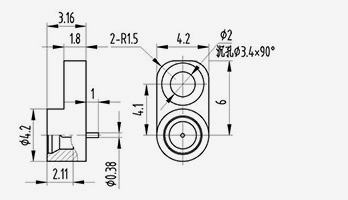
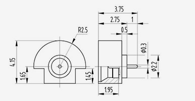
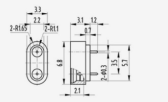
Kısa arayüz boyutları:

SMPM SERIES
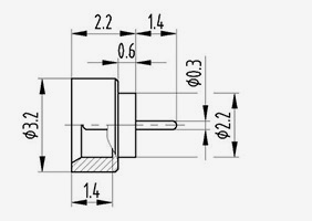
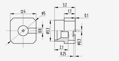
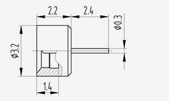
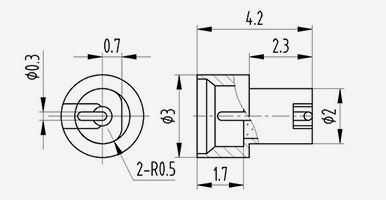
  • SMPM(M)-JYD3S
    SMPM(M)-JYD3S
    Modeli Notlar
    SMPM(M)-JYD3S Pürüzsüz Çap
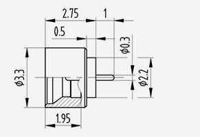
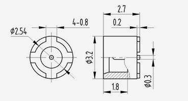
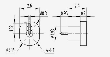
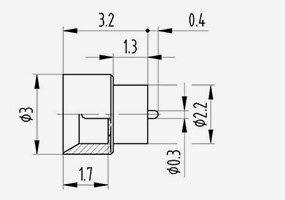
  • SMPM(M)-JYD5S
    SMPM(M)-JYD5S
    Modeli Notlar
    SMPM(M)-JYD5S Pürüzsüz Çap
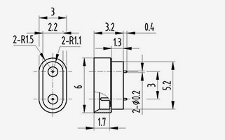
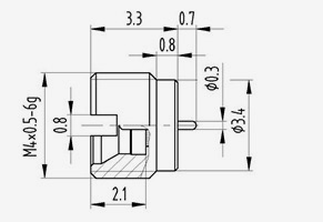
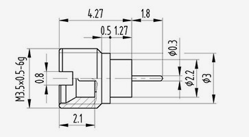
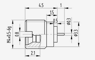
  • SMPM(M)-JYD8F
    SMPM(M)-JYD8F
    Modeli Notlar
    SMPM(M)-JYD8F Tam Kilit
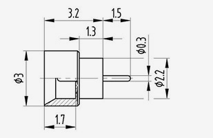
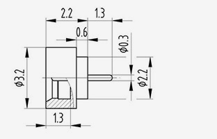
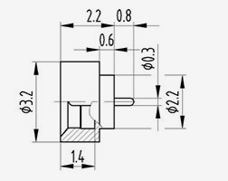
  • SMPM(M)-JYD10F
    SMPM(M)-JYD10F
    Modeli Notlar
    SMPM(M)-JYD10F Tam Kilit
  • SMPM(M)-JYD12S
    SMPM(M)-JYD12S
    Modeli Notlar
    SMPM(M)-JYD12S Pürüzsüz Çap
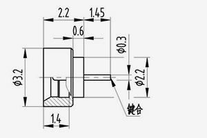
  • SMPM(M)-JYD13F
    SMPM(M)-JYD13F
    Modeli Notlar
    SMPM(M)-JYD13F Tam Kilit
  • SMPM(M)-JYD14F
    SMPM(M)-JYD14F
    Modeli Notlar
    SMPM(M)-JYD14F Tam Kilit
  • SMPM(M)-JYD15F
    SMPM(M)-JYD15F
    Modeli Notlar
    SMPM(M)-JYD15F Tam Kilit
  • SMPM(M)-JYD16S
    SMPM(M)-JYD16S
    Modeli Notlar
    SMPM(M)-JYD16S Pürüzsüz Çap
  • SMPM(M)-JYD17S
    SMPM(M)-JYD17S
    Modeli Notlar
    SMPM(M)-JYD17S Pürüzsüz Çap
  • SMPM(M)-JYD18S
    SMPM(M)-JYD18S
    Modeli Notlar
    SMPM(M)-JYD18S Pürüzsüz Çap
  • SMPM(M)-JYD19S
    SMPM(M)-JYD19S
    Modeli Notlar
    SMPM(M)-JYD19S Pürüzsüz Çap
  • SMPM(M)-JYD20F
    SMPM(M)-JYD20F
    Modeli Notlar
    SMPM(M)-JYD20F Tam Kilit
  • SMPM(M)-JYD21S
    SMPM(M)-JYD21S
    Modeli Notlar
    SMPM(M)-JYD21S Pürüzsüz Çap
  • SMPM(M)-JYD22F
    SMPM(M)-JYD22F
    Modeli Notlar
    SMPM(M)-JYD22F Tam Kilit
  • SMPM(M)-JYD23S
    SMPM(M)-JYD23S
    Modeli Notlar
    SMPM(M)-JYD23S Pürüzsüz Çap
  • SMPM(M)-JYD24F
    SMPM(M)-JYD24F
    Modeli Notlar
    SMPM(M)-JYD24F Tam Kilit
  • SMPM(M)-JYD25F
    SMPM(M)-JYD25F
    Modeli Notlar
    SMPM(M)-JYD25F Tam Kilit
  • SMPM(M)-JYD26F
    SMPM(M)-JYD26F
    Modeli Notlar
    SMPM(M)-JYD26F Tam Kilit
  • SMPM(M)-JYD27S
    SMPM(M)-JYD27S
    Modeli Notlar
    SMPM(M)-JYD27S Pürüzsüz Çap
  • SMPM(M)-JYD28S
    SMPM(M)-JYD28S
    Modeli Notlar
    SMPM(M)-JYD28S Pürüzsüz Çap
  • SMPM(M)-JYD29F
    SMPM(M)-JYD29F
    Modeli Notlar
    SMPM(M)-JYD29F Tam Kilit
  • SMPM(M)-JYD30S
    SMPM(M)-JYD30S
    Modeli Notlar
    SMPM(M)-JYD30S Pürüzsüz Çap
  • SMPM(M)-JYD31F
    SMPM(M)-JYD31F
    Modeli Notlar
    SMPM(M)-JYD31F Tam Kilit
  • SMPM(M)-JYD32F
    SMPM(M)-JYD32F
    Modeli Notlar
    SMPM(M)-JYD32F Tam Kilit
  • SMPM(M)-JYD33S
    SMPM(M)-JYD33S
    Modeli Notlar
    SMPM(M)-JYD33S Pürüzsüz Çap
  • SMPM(M)-JYD34S
    SMPM(M)-JYD34S
    Modeli Notlar
    SMPM(M)-JYD34S Pürüzsüz Çap
  • SMPM(M)-JYD35S
    SMPM(M)-JYD35S
    Modeli Notlar
    SMPM(M)-JYD35S Pürüzsüz Çap
  • SMPM(M)-JYD36S
    SMPM(M)-JYD36S
    Modeli Notlar
    SMPM(M)-JYD36S Pürüzsüz Çap
  • SMPM(M)-JYD37S
    SMPM(M)-JYD37S
    Modeli Notlar
    SMPM(M)-JYD37S Pürüzsüz Çap
  • SMPM(M)-JYD38S
    SMPM(M)-JYD38S
    Modeli Notlar
    SMPM(M)-JYD38S Pürüzsüz Çap
  • SMPM(M)-JYD39S
    SMPM(M)-JYD39S
    Modeli Notlar
    SMPM(M)-JYD39S Pürüzsüz Çap
  • SMPM(M)-JYD41S
    SMPM(M)-JYD41S
    Modeli Notlar
    SMPM(M)-JYD41S Pürüzsüz Çap
  • SMPM(M)-JYD42S
    SMPM(M)-JYD42S
    Modeli Notlar
    SMPM(M)-JYD42S Pürüzsüz Çap
  • SMPM(M)-JYD43F
    SMPM(M)-JYD43F
    Modeli Notlar
    SMPM(M)-JYD43F Tam Kilit
  • SMPM(M)-JYD44F
    SMPM(M)-JYD44F
    Modeli Notlar
    SMPM(M)-JYD44F Tam Kilit
  • SMPM(M)-JYD45S
    SMPM(M)-JYD45S
    Modeli Notlar
    SMPM(M)-JYD45S Pürüzsüz Çap
  • SMPM(M)-JYD46S
    SMPM(M)-JYD46S
    Modeli Notlar
    SMPM(M)-JYD46S Pürüzsüz Çap
  • SMPM(M)-JYD60F
    SMPM(M)-JYD60F
    Modeli Notlar
    SMPM(M)-JYD60F Tam Kilit
  • SMPM(M)-JYD61F
    SMPM(M)-JYD61F
    Modeli Notlar
    SMPM(M)-JYD61F Tam Kilit
  • SMPM(M)-JYD62F
    SMPM(M)-JYD62F
    Modeli Notlar
    SMPM(M)-JYD62F Tam Kilit
  • SMPM(M)-JYD63S
    SMPM(M)-JYD63S
    Modeli Notlar
    SMPM(M)-JYD63S Pürüzsüz Çap
  • SMPM(M)-JYD64S
    SMPM(M)-JYD64S
    Modeli Notlar
    SMPM(M)-JYD64S Pürüzsüz Çap
  • SMPM(M)-JYD65S
    SMPM(M)-JYD65S
    Modeli Notlar
    SMPM(M)-JYD65S Pürüzsüz Çap
  • SMPM(M)-JYD66S
    SMPM(M)-JYD66S
    Modeli Notlar
    SMPM(M)-JYD66S Pürüzsüz Çap
  • SMPM(M)-JHD1S
    SMPM(M)-JHD1S
    Modeli Notlar
    SMPM(M)-JHD1S Pürüzsüz Çap
  • SMPM(M)-JHD2F
    SMPM(M)-JHD2F
    Modeli Notlar
    SMPM(M)-JHD2F Tam Kilit
  • SMPM(M)-JHD3F
    SMPM(M)-JHD3F
    Modeli Notlar
    SMPM(M)-JHD3F Tam Kilit
  • SMPM(M)-JHD4F
    SMPM(M)-JHD4F
    Modeli Notlar
    SMPM(M)-JHD4F Tam Kilit
  • SMPM(M)-JHD6F
    SMPM(M)-JHD6F
    Modeli Notlar
    SMPM(M)-JHD6F Tam Kilit
  • SMPM(M)-JHD21F
    SMPM(M)-JHD21F
    Modeli Notlar
    SMPM(M)-JHD21F Tam Kilit
  • SMPM(M)-JFD1S
    SMPM(M)-JFD1S
    Modeli Notlar
    SMPM(M)-JFD1S Pürüzsüz Çap
  • SMPM(M)-JWSD1S
    SMPM(M)-JWSD1S
    Modeli Notlar
    SMPM(M)-JWSD1S Pürüzsüz Çap
  • SMPM(M)-JWSD8
    SMPM(M)-JWSD8
    Modeli Notlar
    SMPM(M)-JWSD8
  • SMPM(M)-JWSD9S
    SMPM(M)-JWSD9S
    Modeli Notlar
    SMPM(M)-JWSD9S Pürüzsüz Çap
  • SMPM(M)-JWSD10S
    SMPM(M)-JWSD10S
    Modeli Notlar
    SMPM(M)-JWSD10S Pürüzsüz Çap
  • SMPM(M)-JSD1S
    SMPM(M)-JSD1S
    Modeli Notlar
    SMPM(M)-JSD1S Pürüzsüz Çap

İLETİŞİMİ KOPARMAMAK

[#giriş#]
GÖNDER
Hakkımızda
Ningbo Hanson İletişim Teknolojisi Co, Ltd
Ningbo Hanson İletişim Teknolojisi Co, Ltd
Ningbo Hanson Communication Technology Co., Ltd. is China SMPM Hermetik Olarak Yalıtılmış Konektör Supplier and Custom SMPM Hermetik Olarak Yalıtılmış Konektör Company. We are a manufacturer specializing in the production, processing, and trade of communication components, with more than 30 years of experience in RF coaxial connectors, adapters, and cable assemblies. Şirket artık kendi işleme atölyesini, elektrokaplama atölyesini, montaj atölyesini ve bir grup istikrarlı ve güvenilir tedarikçiyi geliştirdi. Şirketin amacı müşterilere yüksek kaliteli ürünler sunmaktır. Ana ürünler RF koaksiyel konektörler, adaptörler, yüksek frekanslı kablo düzenekleri ve düşük intermodülasyonlu kablo düzenekleridir. Buna ek olarak şirket, müşterilerin ürünlere yönelik özel gereksinimlerini karşılamak için özelleştirilmiş ihtiyaçları olan müşterilere de hizmet sunabilmektedir. Şirketin ürünleri havacılık, iletişim baz istasyonları, tıbbi ekipman ve diğer yüksek teknoloji alanlarında yaygın olarak kullanılmaktadır. Kurumsal reform, yenilik, gelişme ve büyüme zamanında şirket, ISO9001 uluslararası kalite yönetim sistemine katılma girişiminde bulundu ve yeni ve eski müşterilere daha tatmin edici ürün ve hizmetler sunabilmek için yönetim düzeyini sürekli olarak geliştirdi.
Son Haberler
İş Fırsatı mı Arıyorsunuz?

Bugün arama isteğinde bulunun